Регулятор детонации и датчик фаз ВАЗ 2114 8 клапанов и 2115: признаки неисправности, как проверить

[ Скрыть]Двигатели автомобилей ВАЗ 2114 оснащаются множеством устройств и контроллеров, предназначенных для обеспечения правильной работы агрегата. От их слаженной работы зависит работоспособность мотора и основных систем «Четырки». Где находится и как заменить датчик фаз ВАЗ 2114 8 клапанов (ДФ), а также датчик детонации (ДД)? Подробная инструкция представлена ниже.
Описание датчика фаз
Для начала давайте рассмотрим место установки, назначение, а также конструктивные особенности ДФ.
Место расположения, назначение и устройство
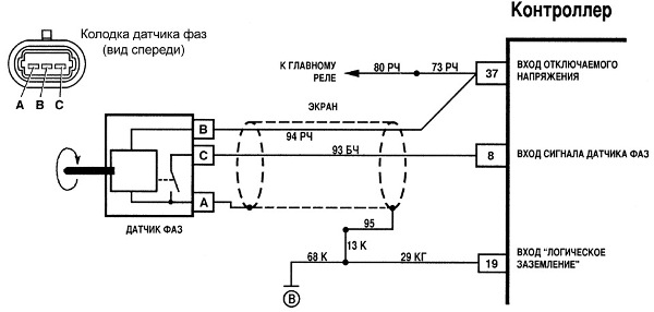
В автомобилях ВАЗ 2114 и 2115 датчик фаз представляет собой устройство, использующееся для получения информации о работе силового агрегата и дальнейшей передачи этих данных на блок управления. По конструкции в устройство этого контроллера входит чувствительный элемент и преобразователь сигнала. Преобразовательный механизм состоит из операционного усилителя, специальной мостовой схемы, а также выходного каскада.

Внутри устройства находится чувствительный элемент, принцип действия которого основан на эффекте Холла. Основное назначение чувствительной составляющей заключается в подаче сигнала в определенный момент, в который рядом с платой будет располагаться магнитопроводящий элемент.
Где находится ДФ в «Четырках»? Место расположения устройства может отличаться в зависимости от вариации двигателя:
- в моторах на 8 клапанов ДФ располагается непосредственно на ГБЦ;
- в 16-клапанных моторах ДФ можно найти со стороны ведущего распределительного вала, неподалеку от генераторного узла.
Возможные неполадки и варианты их устранения
По каким признакам можно определить неисправность контроллера:
- в автомобиле увеличился расход топлива;
- в работе системы самодиагностики авто произошли неполадки;
- динамика транспортного средства в целом снизилась;
- на приборной панели появились новые ошибки — 0343, 0340, иногда ошибок нет, но есть индикатор Check Engine (появляется в случае полного выхода из строя девайса).

Инструкция по диагностике и замене ДД
Как произвести проверку обрыва и работоспособности ДФ мультиметром?
Процедура диагностики отличается в зависимости от модификации силового агрегата, для проверки ДФ на 8-клапанном моторе сделайте следующее:
- Сначала на выводе тестера маркировки V1 нужно будет установить значение напряжения в 13.5 вольт, этот щуп необходимо подключить к контакту Е. Затем на втором выводе, подсоединяющемся к контакту В, следует установить значение напряжения в 0.9 вольт.
- Когда контакты цепи будут замкнуты, к боковой части контроллера надо поднести шило или отвертку, также можно использоваться металлическую пластину. Если датчик фаз работает правильно, то вы увидите, как на контакте В значение напряжения снизится до 0.4 вольт. В том случае, если значения, полученные в ходе диагностики, отличаются, это говорит о том, что регулятор подлежит замене (видео опубликовано каналом В гараже у Сандро).
В случае с 16 клапанами процедура проверки производится в целом так же, но есть определенные отличия:
- Тестер следует настроить в режим V2, а на контакте Е надо выставить величину напряжения в 13.5 вольт. На выводе В устанавливается 0.4 вольта.
- Затем к торцевой части корпуса также надо поднести отвертку или стальную пластинку. При нормальной работе контроллера величина напряжения увеличится до 0.9 В.
Замена ДФ осуществляется следующим образом:
- Для начала обесточивается бортовая сеть, для этого отключается аккумулятор.
- Затем, используя ключ на 10, выкручивается болт, с помощью которого фиксируется ДФ на блоке. При этом от контроллера надо отключить разъем с проводкой.
- Контроллер демонтируется из посадочного места и меняется на новый. При замене на разъеме желательно прочистить контакты от окисления и загрязнений.
Фотогалерея «Расположение ДФ и ДД»


Описание датчика детонации
Теперь расскажем о датчике детонации. Начнем с расположения и назначения контроллера.
Место расположения, назначение и устройство
ДД в «Четырке» представляет собой один из основных элементов, которые определяют правильную работу силового агрегата. Основным элементов конструкции датчика детонации является пьезовый механизм. В момент подачи нагрузки на датчик детонации устройство осуществляет выработку электрического импульса, который поступает на управляющий модуль. Блок определяет появление детонации в работе двигателя, в соответствии с чем производит изменение угла опережения зажигания.
Что касается места расположения, то в ВАЗ 2114 ДД находится на блоке цилиндров мотора, между цилиндрами под номерами 2 и 3. Если ваш автомобиль оборудован мотором на 8 клапанов, то вы сразу увидите контроллер, открыв капот. Что касается 16-клапанных ДВС, то в данном случае найти датчик будет труднее, так как обзор закрывает головка блока.

Возможные неисправности и способы их устранения
По каким признакам можно определить неполадки в работе детонационного контроллера:
- значительное падение мощности, что особенно проявляется при разгоне;
- на панели приборов появился значок Check;
- при резком нажатии на педаль газа может слышаться детонация — металлический стук, как говорят специалисты — стучат «пальчики»;
- в некоторых случаях возможен перегрев двигателя.
Выход из строя контроллера, как правило, обусловлен регулярным использованием низкокачественного горючего.
Инструкция по диагностике и замене контроллера
Процедура диагностики может быть осуществлена как с помощью тестера, так и с применением омметра. При использовании тестера сам прибор надо будет подсоединить к разъему для проверки и осуществить диагностику работоспособности. Если у вас есть только омметр, то вам надо будет произвести замер величины напряжения между контактами контроллера.
Как проверить работоспособность ДД:
- Сначала на вольтметре устанавливается измерительный предел в 200 мВ.
- Затем к контактам регулятора необходимо подсоединить щупы диагностирующего прибора.
- После этого попробуйте без особых усилий постучать по корпусу контроллера с помощью отвертки или другого подобного инструмента. При постукивании по корпусу значение напряжения на дисплее тестера должно увеличиться до 20-40 мВ, в данном случае все зависит от силы удара. Если в результате воздействия изменений нет, то нужно поменять ДД на новый (автор видео — Александр Дмитриев).
Для выполнения замены вам потребуется сделать следующее:
- Подготовьте стандартный слесарный инструмент — гаечные ключи и отвертки, также потребуется наждачная бумага или железная щетка. Заглушите силовой агрегат и отключите зажигание, а затем откройте капот.
- Затем вам надо будет найти ДД, нажать на фиксатор и отключить разъем с проводкой от регулятора детонации.
- Используя гаечный ключ соответствующего размера, нужно открутить гайку со шпилькой (если в вашем авто установлен двухконтактный ДД). Если на двигателе установлен контроллер резонансного типа, то нужно извлечь пьезовый элемент.
- После этого контакты на разъемах надо будет очистить при помощи наждачной бумаги или железной щетки — удалите все загрязнения и окисления. Если этого не сделать, то могут возникнуть проблемы в передаче сигнала — импульс будет не точный. Когда очистка будет завершена, вместо старого ДД установите новый.
Видео «Наглядная инструкция по замене ДД»
Как выполнить замену контроллера и не допустить ошибок — смотрите в ролике ниже (автор — Диманыч BEST).
