Создать аккаунт
Все об автомобилях » Полезные статьи » Система безопасности » Инструкция к сигнализации Scher Khan (Шерхан): схема подключения, карты монтажа и настройка

Инструкция к сигнализации Scher Khan (Шерхан): схема подключения, карты монтажа и настройка

Инструкция к сигнализации Scher Khan (Шерхан): схема подключения, карты монтажа и настройка

Из-за большого ассортимента противоугонных систем на современном авторынке многие потребители сталкиваются с проблемой выбора. Причем неважно, к какому ценовому сегменту относится сигнализация — и дешевые, и более дорогие модели оснащаются множеством полезных функций, но как сделать правильный выбор? В этой статье мы расскажем, какими особенностями обладает сигнализация Шерхан, какие модели можно найти в продаже и как правильно использовать систему.

[ Скрыть]

Особенности

Инструкция к сигнализации Scher Khan (Шерхан): схема подключения, карты монтажа и настройка

Семь брелоков от разных моделей сигналок Шерхан

Для начала рассмотрим функциональные особенности противоугонных систем на примере моделей Магикар 5, 6 и 7:

  • возможность автозапуска ДВС — речь идет об авто как с «автоматами», так и с механическими трансмиссиями;
  • возможность монтажа как на машины с бензиновыми агрегатами, так и с дизельными, в том числе с машинами, оборудованными турбированными ДВС;
  • функция запуска силового агрегата по команде с пульта;
  • автозапуск силового агрегата каждые два часа, либо в установленное время каждые 24 часа;
  • пори необходимости можно отследить запуск силового агрегата по сигналами от генераторного узла либо по шумам, происходящим в электросети автомобиля;
  • личный код доступа в салон в случае потери ключа;
  • сигналку можно подключить к центральному замку машины, а также замка двери багажного отсека;
  • опция программирования типа реле блокировки, осуществляющего блокирование работы силового агрегата в случае взлома автомобиля;
  • функция установки транспортного средства на охрану в автоматическом режиме — для ее реализации блок управления необходимо запрограммировать;
  • если вы настроите функцию автоматической постановки машины на охрану, то сигналка будет заранее предупреждать об этом посредством звукового сигнала;
  • опция автоматической постановки автомобиля на охрану в том случае, если двери машины не были открыты, также сигналка предупредит об этом водителя звуковым сигналом;
  • возможность защиты транспортного средства без активации сигналов сирены;
  • наличие в противоугонной системе двух программируемых каналов управления дополнительными девайсами;
  • также автолюбитель может подключить как отрицательные, так и положительные датчики дверей;
  • в блоке управления имеется специальный вход отрицательного контроллера двери багажного отсека;
  • возможность настройки автоматической функции открытия и закрытия дверных замков в случае запуска либо отключения мотора;
  • автовладелец может настроить систему таким образом, чтобы она активировала охорану авто как с сопровождением звукового сигнала, так и без него;
  • если автовладелец поставит машину на защиту, при этом одна из дверей авто будет открыта, сигналка предупредит его об этом, но данную функцию следует заранее запрограммировать;
  • к блоку управления подключается высокочувствительный контроллер удара, причем чувствительность автовладелец может самостоятельно отрегулировать;
  • при необходимости можно будет настроить и опцию «Свободные руки», которая позволит в автоматическом режиме активировать или выключить охрану в случае приближения или удаления от машины;
  • если водитель забудет отключить габаритные фонари и поставит авто на охрану, противоугонная система предупредит его об этом (автор видео — канал scherkhanalarm).

Все дополнительные опции настраиваются в соответствии с инструкцией по установке и настройке. В техническом руководстве к автосигнализации четко указаны все действия, которые необходимо выполнить для настройки той или иной опции, необходимо учитывать, что шаги могут отличаться в зависимости от модели.

Вкратце о функциональных особенностях брелока управления сигналкой (на примере модели Магикар 5):

  • многофункциональный четырехкнопочный пульт, оснащенный ЖК-экраном;
  • реализована система Magic Code, позволяющая обеспечить защиту брелока от перехвата сигналов;
  • на дисплее устройства демонстрируется подтверждение выполняемых функций и команд, также все команды сопровождаются звуковым подтверждением;
  • возможность вибрационного звонка в случае необходимости;
  • сигналы, воспроизводимые брелоком, достаточно громкие, что позволяет автовладельцу всегда быть в курсе ситуации с охраной;
  • диапазон действия пульта составляет около 1.5 километра, разумеется, речь идет об открытой местности без помех и строений;
  • опция автоматической подсветки экрана;
  • на дисплее выводятся основные данные о работе противоугонной системы, в частности, индикация разряда батарейки в пульте, напряжения АКБ машины, температуры в салоне авто, времени, а также работы мотора после автозапуска;
  • с помощью пульта управления, как сказано выше, можно осуществить запуск мотора, данная функция является программируемой;
  • при необходимости автовладелец также может запрограммировать время с точностью до минуты, в которое нужно будет произвести запуск силового агрегата;
  • в том случае, если сработает сирена сигналки, брелок издаст звук, а на дисплее появится характерное сообщение;
  • возможность быстрой настройки и программирования опций прямо с пульта (автор видео том, как работает неоригинальный Шерхан через год эксплуатации — Artur Sitdikov).

Виды и модели

На автомобильном рынке можно найти много разных моделей сигнализации Шерхан, рассмотрим наиболее распространенные из них:

  1. Линейка Magicar считается одной из самых ходовых. Такие модели оснащаются опцией автоматического запуска, а передача данных осуществляется по защищенному от перехвата каналу. В среднем диапазон действия составляет около 2 тысяч метров. Алгоритм кодировки меняется при каждой последующей подаче сигнала, в результате чего вероятность взлома сводится к минимуму. В общей сложности в данной линейке около 14 моделей, причем все они характеризуются невысокой ценой и функциональностью.
  2. Линейка Mobicar. В моделях, относящихся к этой линейке реализованы все технологии, позволяющие надежно защитить автомобиль. Такие сигналки комплектуются компактными по размерам управляющими блоками, причем система может работать с любой цифровой шиной, а управлять ею можно будет даже с помощью мобильного телефона.
  3. Линейка Universe. Такие сигналки представляют собой телематические устройства, позволяющие точно определить координаты транспортного средства. По заявлению производителя, дальность оповещения и управления в данном случае не ограничена, хотя по факту в это верится с трудом. Также есть возможность использования данными удаленной диагностики и изучения истории поездок на машине. Основная особенность моделей этой серии — это предоставление потребителям бесплатных сервисов в онлайн и оффлайн режимах, причем автовладелец сможет следить за передвижением машины с помощью смартфона или ПК.
  4. Logicar. Эта серия включает в себя 6 моделей противоугонных установок, одной из самых популярных является Logicar 1. В целом такие системы довольно схожи с вышеописанными Magicar, однако в данном случае диапазон приема сигналов составляет 1500 м, в результате чего их стоимость более доступная. В сигналках этой серии реализована система шифрования AES-128, что позволяет защитить автомобиль от взлома или свести эту вероятность к минимуму. Система позволяет следить за степенью зарядки АКБ, температурой мотора, а также узнать, сколько времени двигатель работает после автоматического запуска.
  5. Canyon. Такая система характеризуется небольшими размерами управляющего блока, дальность действия брелока в данном случае составляет 1.5 км. При необходимости автовладелец сможет настроить центральный замок таким образом, чтобы установить обходчик иммо.
  6. Taiga. Продукты этой линейки изначально предназначаются для монтажа на грузовые автомобили, спецтехнику, а также прочие виды транспорта. Главным условием является наличие 23 вольт напряжения в бортовой сети. Сигнализация Шерхан Taiga позволит защитить не только автомобиль от взлома и угона, но и груз, который в нем перевозится. Благодаря пульту с жидкокристаллическим дисплеем автовладелец сможет мониторить состояние автомобиля. Дальность действия сигнала в данном случае составляет 2 тыс. м.
  7. Media One. Характеризуется наличием двухсторонней связи, а также опцией автозапуска. Автовладелец может управлять транспортным средством при помощи команд, подаваемых с пульта, который, в свою очередь, оборудован OLED-дисплеем. Также следует отметить, что система оснащается двумя зарядными девайсами, которые при необходимости можно подключить к батарее либо электросети.

Инструкция по применению

Каждый автолюбитель, который хотя бы раз в жизни устанавливал и подключал противоугонную систему, знает, что это — довольно сложная задача, с которой сможет справиться не каждый. При допущении ошибок в ходе установки можно столкнуться с дальнейшей неработоспособность сигналки, поэтому если вы решили заняться этим самостоятельно, то должны быть внимательны (автор видео — канал AVTOservis Nikitin).

Как установить?

Установка сигнализации в целом выглядит так:

  1. В первую очередь производится установка управляющего блока, его следует поставить в салоне автомобиля, за центральной консолью, чтобы доступ к устройству был затруднительным. Особенно, для злоумышленника. Блок не должен быть подвержен воздействию влаги.
  2. Сирена устанавливается в моторном отсеке, ее следует поставить рупором вниз. Ставьте сирену подальше от мотора, поскольку высокие температуры впоследствии выведут ее из строя.
  3. Далее, производится установка датчика удара, его желательно поставить так, чтобы он мог реагировать на воздействия на корпус автомобиля со всех сторон.
  4. Обходчик иммобилайзера следует подключить к блоку иммо.
  5. На ветровом стекле ставится антенный модуль, а также светодиод, который будет сообщать о работе сигналки. Если система включает в себя дополнительные элементы, их нужно установить в соответствии с указаниями в руководстве по эксплуатации.
  6. Также необходимо установить сервисную кнопку Valet, ее монтаж осуществляется в любом недоступном для злоумышленника месте. Кнопку можно разместить за приборной панелью, под рулем, в или за бардачком, под педалью, под сиденьем и т.д.

Как подключить?

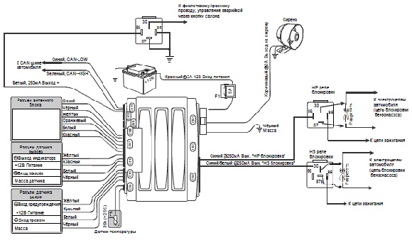
Инструкция к сигнализации Scher Khan (Шерхан): схема подключения, карты монтажа и настройка

Общая схема подключения сигналки

Когда все элементы противоугонной системы будут установлены, их необходимо будет подключить между собой. Подробно о подключении мы рассказывать не будем, поскольку данная процедура индивидуальна для каждой модели сигнализации. Отметим только, что в комплекте к системе должна идти схема подключения, которой вы будет руководствоваться.

Как настроить?

Настройка сигналки также осуществляется в соответствии с сервисной книжкой. Рассмотрим особенности настройки на примере модели Магикар 10. Процесс настраивания начинается с программирования CAN-модуля, это основной этап, в данном случае сначала следует определить номер микропрограммы, он указан на управляющем модуле.

Не менее важным моментом при настройке является программирование функций. Чтобы выставить настройки для доводчиков, использующихся для закрытия стекол при постановке авто на охрану, перепрограммируйте опции 2-4 в положение 2.

Что касается остальных, не менее важных функций:

  1. Чтобы активировать режим Slave, необходимо выставить опцию 2-14 в положение 2.
  2. Для деактивации опции возврата в режим охраны следует перевести опции 1-8 в отметку 3.
  3. Если вы хотите открыть дверь багажника с помощью пульта, по команде, при этом автомобиль находится под охраной, сигналка будет срабатывать. Чтобы избежать этого, необходимо будет перевести функцию 1-1 в положение 3.
  4. Чтобы активировать функцию запуска силового агрегата на холостых оборотах, необходимо зажать кнопку Valet на несколько секунд. Когда она будет зажата, должен загореться и потухнуть индикатор аварийной сигнализации. Когда это произойдет, кнопку Valet следует отпустить, после чего подождать еще около пяти секунд и опять ее зажать на 4 секунды. В результате должен раздаться сигнал сирены, это будет свидетельствовать об успешной настройке системы.
Инструкция к сигнализации Scher Khan (Шерхан): схема подключения, карты монтажа и настройка

Комплект модели Logicar A

Как отключить?

Как отключить сигнализацию, если противоугонная система не реагирует на команды брелока? Для этого можно воспользоваться кнопкой Valet, процедура отключения также индивидуальна для всех моделей, рассмотрим несколько вариантов. Однако, если установку сигналки вы доверили специалистам, не факт, что вы сможете найти эту кнопку. Тогда можно попробовать отключить сирену, произведя манипуляции с зажиганием.

Начнем с модели Магикар 2:

  1. Для начала автомобиль нужно открыть с помощью ключа.
  2. Далее, вам необходимо будет четыре раза повернуть ключ в замке из положения АСС в положение ON, это нужно успеть сделать за три секунды.
  3. Затем зажигание отключается.
  4. Теперь должна отключиться сирена, при этом габариты моргнут один раз, а затем еще два раза спустя шесть секунд.
  5. Сигналка отключена, теперь можно пробовать завестись.

Для модели Магикар 4 инструкция аналогичная, разница заключается только в положении ключа — если в предыдущем случае он переводился из положения АСС в ON, то теперь его следует перевести из Lock в ON. Все остальные действия повторяются.

Для моделей Шерхан Магикар 6 инструкция другая, в данном случае вам заранее необходимо узнать код системы, изначально он равен 1111:

  1. Итак, сначала автомобиль открывается ключом.
  2. Затем вам необходимо перевести ключ в замке из положения Lock в положение On три раза, следует успеть сделать это за четыре секунды.
  3. Потом зажигание отключается.
  4. Далее, необходимо повторить второй пункт, но теперь будьте внимательны. Число смены позиций ключа в замке должно соответствовать первой цифре кода, то есть если это 1 — то ключ поворачивается один раз, если 4 — то, соответственно, четыре раза.
  5. Затем зажигание опять отключается.
  6. Выполнив эти действия, спустя четыре секунды сигналка должна мигнуть один раз, таким образом она предупредит водителя о том, что он должен ввести следующую цифру кода.
  7. Пункты 2 и 3 необходимо повторить, процедура осуществляется до того момента, пока все символы кода не будут введены. Обратите внимание — в промежутках между пунктами сигналка должна дать «разрешение» на ввод следующих цифр.
  8. Когда вы введете последнюю цифру, система должна моргнуть два раза.
  9. В том случае, если вы все действия выполнили правильно, сирена должна отключиться и у вас должно получиться завести двигатель (автор видео — канал Nicholas291979).

Плюсы и минусы противоугонной системы

Вкратце о достоинствах и недостатках противоугонной системы Шерхан, сначала плюсы:

  1. Достойное качество сборки всех элементов, благодаря чему повышается надежность системы в целом.
  2. Легкость установки, довольно простая схема подключения. Благодаря этому заняться установкой и подключением системы сможет практически каждый автолюбитель.
  3. Защита каналов связи от перехватов, что обусловлено реализацией надежной си стемы шифрования импульсов.
  4. Удобство использования. Если вы не собьете настройки, то эксплуатация системы не вызовет у вас вопросов.
  5. Высокий ресурс эксплуатации. Производитель гарантирует бесперебойную работу системы на протяжении пяти лет эксплуатации, но по факт ее срок службы может быть значительно дольше.
  6. Возможность бесперебойного функционирования практически в любых климатических условиях.
  7. Пульт управления системой характеризуется технологичной энергосберегающей системой, благодаря чему заряд аккумулятора ПДУ держится довольно долго.

Что касается недостатков, то как таковых, их нет. На практике все минусы связаны либо с неверной установкой, либо с заводским браком, у некоторых потребителей вызывает сложность программирование функции автоматического запуска. К недостаткам можно отнести то, что заявленный производителем радиус действия далеко не всегда соответствует действительности.

Цена вопроса

Инструкция к сигнализации Scher Khan (Шерхан): схема подключения, карты монтажа и настройка
1. Один из самых доступных по стоимости вариантов - Scher-Khan Canyon (цена - примерно 5500 рублей)
Инструкция к сигнализации Scher Khan (Шерхан): схема подключения, карты монтажа и настройка
2. Модель Scher-Khan MagiCar 8 (цена - около 8800 рублей)
Инструкция к сигнализации Scher Khan (Шерхан): схема подключения, карты монтажа и настройка
3. Scher-Khan Media One - один из самых дорогих вариантов (цена - около 16 тысяч рублей)

Видео «Может ли кодграббер перехватить сигнал от Шерхана?»

Можно ли перехватить сигнал противоугонной системы Шерхан с помощью кодграббера — смотрите на видео ниже (автор ролика — канал scherkhan5).

0 комментариев
Обсудим?
Смотрите также:
Продолжая просматривать сайт carsq.ru вы принимаете политику конфидициальности.
ОК