Сигнализация Starline A9: инструкция по эксплуатации, установке и настройке, схема подключения, руководство по программированию брелка с автозапуском и видео

[ Скрыть]Инструкция к сигнализации Старлайн А9 включает в себя все основные моменты по настройке и установке. Поэтому перед эксплуатацией противоугонного комплекса обязательно необходимо ознакомиться с сервисным руководством.
Технические характеристики A9
Описание основных свойств сигналки с автозапуском Твейдж для автомобиля:
- величина несущей частоты для передачи сигналов управления составляет 433,92 МГц;
- максимальный диапазон, в котором основной пульт автомобильной сигнализации может передавать импульсы, равен 600 метрам;
- в режиме получения сообщений от микропроцессорного блока этот параметр — 1200 м;
- диапазон функционирования дополнительного коммуникатора в режиме передачи импульсных данных — 15 метров;
- регулятор чувствительности относится к классу пьезоэлектрических;
- температурный диапазон, при котором охранный комплекс работает эффективно и без сбоев, составляет от -40 до +85 градусов;
- значение напряжения питания противоугонной системы — 9-18 вольт, что позволяет ставить сигнализацию с дистанционным пуском на легковые авто и мотоциклы;
- величина тока, который потребляет система при запущенном режиме защиты, составляет 25 мА;
- на выходе электрической цепи, по которой подключена сирена, данный показатель равен двум амперам;
- максимально допустимая величина тока на участке электролинии до габаритных фонарей составляет 2х7,5 А;
- на выходе электроцепей для подключения приводных устройств замков дверей этот показатель равен 15 амперам;
- максимально допустимая величина тока на электролиниях подключения блокировки силового агрегата, стартера, системы зажигания — 40 А;
- на выходе электроцепей дополнительных каналов управления данный показатель составляет 300 мА;
- для обеспечения питания основного коммуникатора требуется аккумулятор класса ААА, рассчитанный на 1,5 вольт;
- в дополнительный пейджер устанавливается батарейка типа CR2032 на 3 В.
Надо учесть, что диапазон действия брелка и антенного адаптера будет зависеть от нескольких факторов:
- места монтажа пейджера;
- величины напряжения АКБ машины — ее снижение приведет к некорректной работе системы охраны;
- расположения электролиний на участке от антенны до микропроцессорного модуля (возможны помехи при наличии электронных приборов рядом с проводами);
- месторасположения транспортного средства и автовладельца;
- напряжения питания батарейки в коммуникаторе;
- погодных условий;
- радиочастотных помех.
Комплектация
Элементы и детали, входящие в комплект сигналки Старлайн А9 с функцией запуска двигателя:
- Главный коммуникатор. Он обладает более высоким радиусом действия, его корпус оборудуется жидкокристаллическим экраном. Устройство имеет опцию двусторонней связи.
- Запасной коммуникатор. Выполнен в пластиковом корпусе без экрана.
- Основной микропроцессорный блок. К данному устройству подключаются все элементы противоугонного комплекса.
- Приемопередатчик с антенным адаптером. Это устройство оборудуется контроллером температуры. Используется для определения данного параметра в салоне транспортного средства.
- Контроллер температуры силового агрегата. Датчик необходим для оценки данного параметра при необходимости запуска ДВС.
- Двухуровневый контроллер удара и чувствительности.
- Диодный индикатор. Он определяет состояние противоугонного комплекса.
- Специальное устройство для включения сервисного режима — кнопка Валет.
- Клавиши для активации и отключения функции антиограбления.
- Концевой выключатель капота.
- Монтажный комплект проводов для того, чтобы подключать все элементы.
- Инструкция Старлайн А9, которая позволяет пошагово подключить и прописать коммуникатор для использования системы.
- Памятка потребителя.
Основные возможности
Методы охраны и участки, защищаемые системой:
- мотор машины, обеспечивается за счет установки реле блокировки, которое предотвращает несанкционированный запуск агрегата;
- замки капота, багажного отсека и дверей защищаются от открытия, для этого используются кнопочные переключатели;
- рычаг ручного тормоза машины защищается от отключения, это также обеспечивается концевиком;
- наличие регулятора удара позволяет защитить колеса, окна и кузов от незаконного перемещения транспортного средства, а также ударов;
- система зажигания защищена от несанкционированной активации.
Обеспечить эффективную защиту одновременно нескольких зон автомобиля позволит правильная установка и настройка сигнализации А9 Тваге.
Для полноценной защиты транспортного средства в сигнализации реализованы следующие возможности:
- Динамический код. Новый алгоритм, по которому он был разработан, позволяет предотвратить перехват команд.
- Возможность запоминания состояния при выключении аккумуляторной батареи. Когда АКБ будет активирована, сигнализация автоматически перейдет в режим, который был до отключения питания.
- Ограниченное число тревожных циклов от контроллеров.
- Возможность прерывания сигнала сирены без отключения охранного режима.
Отдельно следует выделить защитные опции, которыми обладает система:
- Антиограбление, позволяющее произвести блокировку мотора в случае разбойного нападения на машину. Функция включается посредством коммуникатора либо специальной кнопки.
- Возможность удаленной активации панического режима, когда сирена срабатывает при приближении к автомобилю подозрительных людей.
- Срабатывание тревожных сигналов при включении регулятора чувствительности.
- Иммобилайзер, позволяющий активировать блокировку мотора машины.
- Турботаймер.
- Обо всех событиях, которые происходят с сигналкой, система оповещает автовладельца посредством отправки сообщения на основной коммуникатор.
- При несанкционированном снятии противоугонной установки происходит блокировка силового агрегата.
Одна из основных особенностей сигнализации этой модели — возможность удаленного запуска двигателя машины. Причем пуск может осуществляться как по команде, так и по таймеру. Допускается настройка данной опции в соответствии с температурой воздуха или величиной напряжения в бортовой сети транспортного средства. Для отключения функции используются специальные комбинации, которые подробно описаны в сервисном руководстве.
О проблеме в работе функции двусторонней связи в своем видеоролике рассказал пользователь Алексей Муравьев.
Плюсы и минусы
Преимущества, которые выделяют потребители сигнализации А9:
- Соотношение стоимости и качества. Все элементы противоугонного комплекса выполнены в прочных корпусах, что исключает вероятность их физического повреждения.
- Наличие температурного контроллера в салоне. Это позволяет потребителю с помощью брелка, оборудованного экраном, узнать об уровне температуры в машине.
- Наличие дополнительных каналов. Благодаря им у пользователя есть возможность произвести установку и настройку вспомогательного оборудования. К примеру, доводчиков электрических стеклоподъемников или люка.
- Подробное руководство по установке и настройке системы. С его помощью у потребителя есть возможность самостоятельного монтажа охранного комплекса и регулировки основных параметров.
- Наличие дисплея. Использование экрана на коммуникаторе позволяет упростить процедуру настройки и эксплуатации охранного комплекса.
Минусы, характерные для этой модели:
- Некорректно работает опция таймера. Из-за этого у потребителей могут возникнуть сложности с запуском мотора машины через определенный временной промежуток.
- Низкий радиус действия коммуникатора при функционировании в городских условиях. Особенно этот недостаток четко проявляется в крупных городах. На диапазон работы пейджера влияют помехи от электростанций и другого оборудования, которого в мегаполисах более чем достаточно. Несмотря на заявления производителя, канал связи не надежно защищен от воздействия внешних факторов.
- Некоторые потребители отмечают такой недостаток, как отсутствие диалогового кода. Старые модели охранных комплексов не имеют данной функции, в результате чего их легко можно взломать код-граббером. По заявлению производителя, сделать это практически невозможно, но по факту сигнализация подвержена взлому.
- Западание клавиш на брелке через несколько лет эксплуатации. Со временем кнопки начинают заедать, в результате чего возникают неудобства при постановке на охрану и отключении защиты.
Как установить?
Изучив инструкцию Старлайн А9, произвести монтаж противоугонного комплекса можно самостоятельно. Но для этого потребуется разобраться с картой, которая идет в комплекте.
Если при установке Старлайн А9 и во время подсоединения допускаются ошибки, охранная система будет работать некорректно, может произвольно отключаться, что снизит безопасность автомобиля.
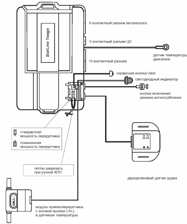
Схема подключения
Общая схема подключения сигнализации Старлайн А9.

Пошаговая инструкция
Руководство по установке противоугонной системы:
- Процедуры производится отключение клемм от АКБ. Для этого гаечным ключом надо ослабить зажим на выходе батареи.
- Монтаж микропроцессорного модуля, в котором расположена плата, производится в скрытом месте, оптимальнее всего его разместить под контрольным щитком. Это позволит обеспечить минимальную длину кабелей при подсоединении. Чтобы не допустить попадания влаги внутрь микропроцессорного модуля, его рекомендуется установить разъемом вниз. Необходимо качественно зафиксировать блок на ровной поверхности для исключения негативного воздействия вибраций. Крепить устройство нужно с помощью саморезов либо двухстороннего скотча.
- Антенный блок устанавливается внутри салона на поверхности лобового стекла. Его надо разместить так, чтобы расстояние от устройства до металла на кузове составило не меньше 5 см. Это позволит предотвратить негативное воздействие помех, которые влияют на радиус действия коммуникатора.
- Перед установкой антенны поверхность лобового стекла необходимо очистить и обезжирить. Поскольку внутри устройства располагается температурный контроллер, адаптер не рекомендуется размещать рядом с печкой или другими источниками тепла. Желательно, чтобы на него не воздействовали солнечные лучи. Иначе показания, которые выдает датчик температуры, будут отличаться от фактических.
- Внешний контроллер устанавливается на силовом агрегате под капотом. Его фиксация осуществляется на корпусе блока цилиндров под один из имеющихся винтов М6. Важно обеспечить качественный контакт температурного датчика с корпусом ДВС.
- Установка сирены производится в моторном отсеке. Место ее размещения должно находиться подальше от источников влаги и тепла. Устройство ставится рупором вниз, благодаря этому в нем не будет собираться вода. При монтаже надо удостовериться, что из-под днища нет доступа к сирене, а также проводникам, по которым она подключена.
- Регулятор удара устанавливается в салоне машины. Его рекомендуется разместить в центральной части кузова, чтобы он мог эффективно определять воздействия на авто с любой стороны. При монтаже надо обеспечить беспрепятственный доступ к элементам регулировки контроллера.
- Диодный индикатор фиксируется на видном месте на контрольном щитке. Прокладка кабелей осуществляется под приборной панелью.
- Сервисная клавиша Валет монтируется в скрытом месте. Такого же принципа надо придерживаться при установке кнопки антиограбления. Но у потребителя должен быть прямой доступ к этим элементам в случае необходимости.
- Монтаж кнопочных переключателей выполняется на двери багажного отсека и под капотом. Их надо установить так, чтобы при закрытых замках к устройствам не было доступа. После монтажа выполняется диагностика правильности их функционированья. Если при установке концевиков будут допущены ошибки, это приведет к ложным срабатываниям сигнализации.
- Под облицовочным пластиком салона, в частности, под порогами, выполняется укладка всех проводов. Кабели должны идти от элементов сигнализации к микропроцессорному модулю и подключаться в соответствии со схемой.


Обозначение индикаторов на экране пейджера
Описание иконок на дисплее коммуникатора:
- 1 — значок разряженного аккумулятора в устройстве;
- 2 — включение второго дополнительного канала;
- 3 — запущен режим автоматического пуска ДВС в соответствии с температурой агрегата;
- 4 — мотор машины заведен;
- 5 — открыта дверь багажного отсека;
- 6 — не заперты дверные замки;
- 7 — индикатор функции оповещения автовладельца о событиях посредством вибрации;
- 8 — символ включенного сервисного режима Валет;
- 9 — значок автоматической переактивации защитной функции;
- 10 — данный индикатор сообщает о включенном бесшумном режиме охраны;
- 11 — запущена охранная функция со звуковым сопровождением;
- 12 — индикатор открытого моторного отсека автомобиля;
- 13 — символ срабатывания регулятора чувствительности, сообщает об активации первого либо второго уровня контроллера удара;
- 14 — отключен ручной тормоз автомобиля;
- 15 — индикатор в виде запертого замка сообщает о закрытии дверей машины;
- 16 — если этот же символ видоизменяется на открытый, то дверные изделия авто не заперты;
- 17 — индикатор ожидания, при его активации сигнализация сообщает о том, что функционирует только приемник коммуникатора;
- 18 — значок передачи импульсных данных пейджером;
- 19 — символ вызова автовладельца из машины;
- 20 — этот индикатор сообщает об активации режима энергосбережения коммуникатора;
- 21 — включение зажигания;
- 22 — активация будильника;
- 23 — символ утреннего времени суток;
- 24 — также суточный индикатор, только послеобеденный;
- 25 — значок ежедневного старта ДВС либо его пуска в соответствии с показаниями будильника;
- 26 — символ времени, температуры, а также режимов дистанционного старта силового агрегата;
- 27 — индикация температурной шкалы;
- 28 — индикатор таймерного устройства.
Настройка брелка

Обозначение элементов на корпусе
Чтобы запрограммировать коммуникатор, надо привязать его первую кнопку. Значение этой клавиши настраивается и при необходимости его можно поменять. Перепрограммировать кнопку может автовладелец неограниченное количество раз. Чтобы обеспечить более удобное использование охранной системы, рекомендуется настроить клавишу на активацию и отключение защитного режима.
Руководство по программированию:
- Кнопка 3 коммуникатора кликается два или больше раз, чтобы курсор на экране устройства переместился по часовой стрелке либо против нее. Чтобы направление движения изменилось, надо сделать двухсекундную паузу между кликами.
- Клавишу нужно установить в положение, которое соответствует необходимой команде. К примеру, это может быть активация защитного режима и его отключение со звуковым сопровождением.
- Кнопка под номером 3 нажимается и удерживается в таком положении на протяжении шести секунд. Необходимо дождаться, пока брелок не издаст два, а затем три звуковых сигнала.
- Чтобы программировать первую клавишу, ее надо кратковременно кликнуть до включения нужной опции.
Впоследствии при эксплуатации охранной системы одно нажатие по этой кнопке будет способствовать выполнению определенной команды. В данном примере это активация и отключение защитного режима. При нажатии клавиши будут включаться индикаторы на дисплее, которые соответствуют конкретной опции. Если требуется перенастроить кнопку, то описанная процедура повторяется заново, чтобы изменить назначение элемента.
Установка часов
Регулировка временных показаний осуществляется следующим образом:
- Третья клавиша коммуникатора зажимается и удерживается в данном положении на несколько секунд. Надо дождаться, пока брелок не издаст два кратковременных звуковых сигнала. Символ часов на экране пейджера будет моргать.
- Чтобы увеличить значения, надо нажимать по первой клавише, снизить — по второй. Для более быстрого повышения либо понижения показателей кнопки зажимаются.
- Когда часы выставлены, необходимо настроить минуты. Для этого кликается третья кнопка коммуникатора. Процедура увеличения показаний осуществляется аналогично — с использованием первой либо второй клавиши. Для ускорения этого процесса кнопки могут зажиматься.
- Чтобы покинуть меню настройки временных параметров, удерживается третья кнопка брелка, пока устройство не издаст звуковой сигнал. Можно не предпринимать никаких действий, и через несколько секунд коммуникатор сделает это автоматически.
Канал «Crossover 159» рассказал об особенностях регулировки временных параметров в пейджере Старлайн.
Установка будильника
Процесс программирования:
- Процедура настройки выполняется посредством зажатия третьей клавиши брелка, пока устройство не издаст два кратковременных звуковых сигнала.
- Та же кнопка кликается последовательно, на экране коммуникатора появится иконка в виде часов. Это приведет к морганию символа будильника.
- Чтобы увеличить временные значения, применяется клавиша 1, а для снижения — вторая кнопка. Для ускоренной регулировки параметров надо зажать эти элементы.
- После установки часов нужно настроить минуты, для этого кликается третья клавиша пейджера.
- Затем эта же кнопка нажимается, чтобы перейти в меню активации или отключения функции. Чтобы включить опцию, кликается первая клавиша, для отключения — вторая. Соответствующий символ (ON или OFF) будет загораться после выбранного действия.
- Чтобы покинуть режим настройки параметров, зажимается третья кнопка, пока брелок не издаст звуковой сигнал. Этого можно не делать, но придется подождать несколько секунд, чтобы устройство вышло из меню автоматически. Когда будильник включен, на экране коммуникатора горит значок в виде часов. При его активации для отключения можно нажать третью кнопку.
Как установить таймер?
Алгоритм программирования таймера:
- Чтобы зайти в меню настройки этого параметра, также зажимается клавиша под номером 3, пока не раздадутся два кратковременных звуковых импульса.
- Данная кнопка последовательно кликается, курсор на экране коммуникатора перейдет в меню таймера. Это значок в виде песочных часов.
- Процедура регулировки параметров выполняется так же, как в случае с будильником.
- Максимальная величина, которую можно настроить на таймере, составляет 19 ч 59 мин.
- При активированной функции на экране коммуникатора будет демонстрироваться текущее состояние, а также мигающий индикатор в виде песочных часов. Когда опция сработает, раздастся восемь звуковых сигналов и символ таймера исчезнет. Для прерывания импульсов надо кликнуть по третьей клавише.
- Для быстрой активации функции необходимо одновременно зажать кнопки под номерами 2 и 3. Это приведет к морганию индикатора в виде песочных часов на экране, также отобразится время таймера. Третья и вторая клавиши используются для регулировки временных параметров. При быстрой настройке шаг составляет 10 и 30 минут.
- Когда опция включена, на экране устройства отображается текущее ее состояние и моргающий значок в виде песочных часов.
Канал «Лучший выбор — Бемс» рассказал о нюансах настройки коммуникатора Старлайн А9.
Режимы
При кратковременной остановке автовладельцу может потребоваться включить сигнализацию на заведенном двигателе.
Процедура активации выполняется так:
- Пока силовой агрегат запущен, надо потянуть за рычаг стояночного тормоза.
- Затем кликается первая кнопка и зажимается, пока габаритные огни транспортного средства не моргнут три раза. Коммуникатор должен издать мелодичный сигнал. На экране пейджера появится символ в виде дыма из глушителя, отобразится время функционирования силового агрегата. Диодная лампочка будет гореть без перерыва. Если временной параметр для работы двигателя машины не настроен, то на дисплее появится индикатор r99.
- Затем ключ извлекается из замка зажигания, необходимо покинуть салон автомобиля. Мотор останется в рабочем состоянии.
- Закрываются двери машины, багажный отсек и капот.
- Кликается первая кнопка на коммуникаторе. В подтверждение включения этой функции раздастся один сигнал сирены и габаритные огни моргнут 1 раз. При таком включении защиты контроллер чувствительности не работает, как и зона охраны системы зажигания. Если дверные замки подключены к противоугонной установке, то они также закроются.
- В подтверждение коммуникатор издаст один кратковременный сигнал. На его экране загорятся индикаторы в виде закрытого замка, включенной сирены и дыма из глушителя. Также будет отображаться текущее время. Если двигатель остановится, то режим защиты останется включенным. Произойдет активация охраны зоны зажигания и контроллера удара.
О настройке режимов, а также сервисных опций рассказал пользователь Michael MNS.
Режим экстренной активации системы защиты без коммуникатора будет полезен в случае поломки последнего.
Включение и настройка производится так:
- Активируется зажигание, запускать силовой агрегат при этом не нужно.
- Сервисная клавиша Валет нажимается восемь раз.
- Отключается система зажигания. Габаритные огни автомобиля моргнут один раз, сирена издаст звуковой сигнал.
- На протяжении последующих двадцати секунд надо покинуть салон транспортного средства и закрыть все дверные замки ключом. Сирена издаст звуковой сигнал, один раз должен сработать коммуникатор.
- Спустя 20 секунд после этого произойдет активация режима защиты сигнализации. Габаритные огни должны моргнуть еще раз. Диодный индикатор состояния охранной системы будет мигать, демонстрируя включенный режим защиты.
Если рычаг ручного тормоза не был активирован, то после подключения функции раздастся четыре звуковых импульса. Столько же раз моргнут габаритные фары авто.
Чтобы отключить этот режим, надо сделать следующее:
- Открывается с помощью ключа водительская дверь машины. Сработает противоугонная установка, сирена будет воспроизводить тревожные сигналы.
- Ключ устанавливается в замок, производится активация зажигания. Силовой агрегат при выполнении этой задачи запускать не нужно.
- На протяжении двадцати секунд надо кликнуть по сервисной клавише Валет четыре раза.
- Производится деактивация зажигания. Сирена должна издать два звуковых сигнала, дважды моргнут габаритные огни автомобиля. Произойдет деактивация защитного режима.
Пользователь Александр Шкуревских рассказал о настройке параметров сигналки Старлайн с помощью брелка.
Настройка автозапуска
Перед активацией данной опции необходимо подготовить силовой агрегат машины, если транспортное средство оборудовано автоматической трансмиссией.
Подготовка двигателя выполняется так:
- Автомобиль останавливается, его мотор отключать не нужно.
- Рычаг коробки передач выставляется в нейтральную позицию. Производится активация стояночного тормоза, чтобы зафиксировать авто на месте.
- Отключается зажигание, ключ можно извлечь из выключателя. Силовой агрегат должен остаться в рабочем состоянии.
- На протяжении тридцати секунд надо выйти из машины. Запираются все дверные замки, производится активация защитного режима. Для этого кликается первая клавиша коммуникатора. Силовой агрегат авто остановится сразу либо продолжит функционировать до отключения режима турботаймера.
Есть два варианта дистанционного пуска силового агрегата авто по команде:
- На дисплее коммуникатора надо перевести курсор на значок с надписью «Start». Под ней располагается символ в виде звездочки. Затем кликается вторая клавиша коммуникатора.
- Также можно нажать на первую кнопку пульта управления и удерживать ее на протяжении трех секунд. Это приведет к пуску ДВС по команде.
Пользователь ВАВАН 176 продемонстрировал процедуру дистанционного включения мотора машины с помощью брелка.
Старт силового агрегата может выполняться ежедневно в определенное время. Особенно эта опция полезна по утрам, поскольку она позволяет садиться водителю в уже прогретый автомобиль. Для активации функции надо перевести курсор на дисплее коммуникатора на значок с надписью «Start». Затем кликается вторая клавиша пейджера.
Если функция настроена, то сирена воспроизведет сигнал, то же самое сделает коммуникатор, единожды моргнут габаритные огни машины. На экране пейджера появится индикатор в виде галочки. Диодная лампочка состояния будет моргать сериями по две вспышки.
Можно произвести регулировку основных параметров в соответствии с температурным режимом, для этого используется датчик, установленный на двигателе.
Допускается пуск ДВС при:
- -5 градусах;
- -10 градусах;
- -15 градусах;
- -20 градусах.
Настройке подлежит длительность прогрева ДВС, а также функция запуска. Наибольшее число автоматических стартов мотора в соответствии с температурой за одни сутки составляет 12, интервал между попытками будет 1 час.
Чтобы активировать функцию, необходимо на дисплее коммуникатора перевести курсор на символ с надписью «Start» и значком ключа. Затем кликается вторая клавиша пейджера. Сирена издаст один звуковой сигнал, единожды моргнут габаритные огни машины. Должен сработать сам коммуникатор, на его экране появится индикатор со значком ключа, а также температурное значение, при котором произойдет пуск. Диодная лампочка состояния будет моргать сериями, состоящими из трех вспышек.
Пользователь Nyur Gun показал, с какой проблемой может столкнуться потребитель при настройке опции автоматического пуска.
Как привязать новый брелок к Старлайн А9?
Сигнализация позволяет вбить в память до четырех коммуникаторов. Каждый новый брелок вносит информацию о себе в микропроцессорный модуль. Но при этом данные об остальных коммуникаторах удаляются из него. Поэтому, если необходимо перепрошить один пейджер, придется заново вносить в память информацию о других устройствах.
Процедура выполняется при отключенном режиме защиты:
- Производится активация зажигания.
- Сервисная клавиша Валет кликается и удерживается, пока сирена не издаст четыре звуковых сигнала.
- Чтобы внести информацию о коммуникаторе в память, надо одновременно кликнуть по первой и второй клавише. Если программируется пейджер без дисплея, запасной, то нажимаются кнопки под номерами 3 и 4. Об успешном внесении информации о пульте в память микропроцессорного модуля сообщит один звуковой сигнал сирены.
- Предыдущий пункт повторяется для всех коммуникаторов. Время между записью каждого последующего устройства должно составить не более пяти секунд, иначе охранная система покинет режим привязки.
- Затем производится отключение зажигания. Габаритные фонари машины должны мигнуть пять раз.
Фотогалерея
Фото элементов противоугонного комплекса Старлайн А9 приведены в этом разделе.




Сколько стоит?
Примерная цена на сигнализацию приведена в таблице.
| Наименование | Цена, руб |
| Старлайн Твейдж А9 | 4-6 тысяч рублей в среднем |
| Цена актуальная для трех регионов: Москва, Челябинск, Краснодар | |
Видео «Руководство по привязке коммуникатора»
Пользователь Антон Auto подробно показал, как запрограммировать новый пейджер Старлайн А9 на примере автомобиля Ниссан Примера.
